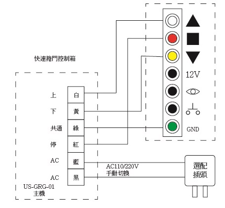
我司的藍牙遙控主機預設狀態白、黃兩線是a接點(NO),紅色線為b接點(NC),綠色為共線(com),剩下兩條交流電(AC)為黑色。
移動Pin腳可讓紅色b接點(NC)改為a接點(NO)。
一,關閉快速捲門電源
二,若輸入電壓是110V,將主機外殼打開,將220V切換為110V

三. 將主機外殼打開,將傳統/快速捲門的接腳移位,如下圖

此時紅色線從b接點(NC)改為a接點(NO)。
四,白接上,黃接下,紅接停,綠接GND。請參考下圖接線方式。




五,恢復供電
六,測試上、停、下,若上下方向相反,可移除反向接腳
